Today: 2026-03-27 20:44:49 Welcome to DONGGUAN KEMEI ELECTRONICS CO.,LTD!
Keywords:
Home
About Us
Company Profile
organizational structure
Production equipment
Quality Inspection
Qualification certificate
Products
Switch Navigation
Socket Navigation
News
Latest News
Product Information
Sales Network
Service
Product Application
Customer Service
Feedback
Contact Us
Products
Switch Navigation
Tact switch
Slide switch
Push switch
Detector switch
Function switch
Flashlight switch
Socket Navigation
DC power jack(DIP)
DC power jack(SMT)
2.5Phone jack(DIP)
2.5Phone jack(SMT)
3.5Phone jack(DIP)
3.5Phone jack(SMT)
USB Connector Jack
Location:Products >> Switch Navigation >> Detector switch
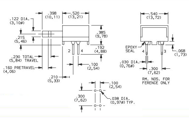
DS-031
Product Description:
『
Back
』
Home
Products
About Us
Contact Us
Site Management
Copyright(C)2013-2023 DONGGUAN KEMEI ELECTRONICS CO.,LTD All Rights Reserved
Webmaster statistics